Nexa-Flow: Large-Scale Industrial Flow Control System

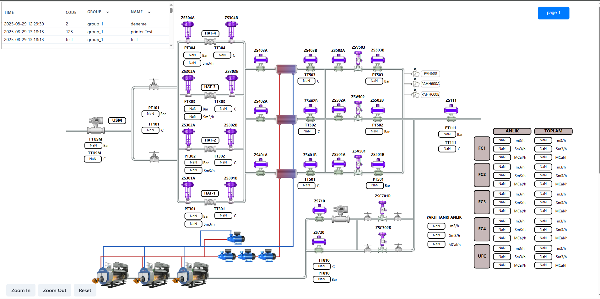
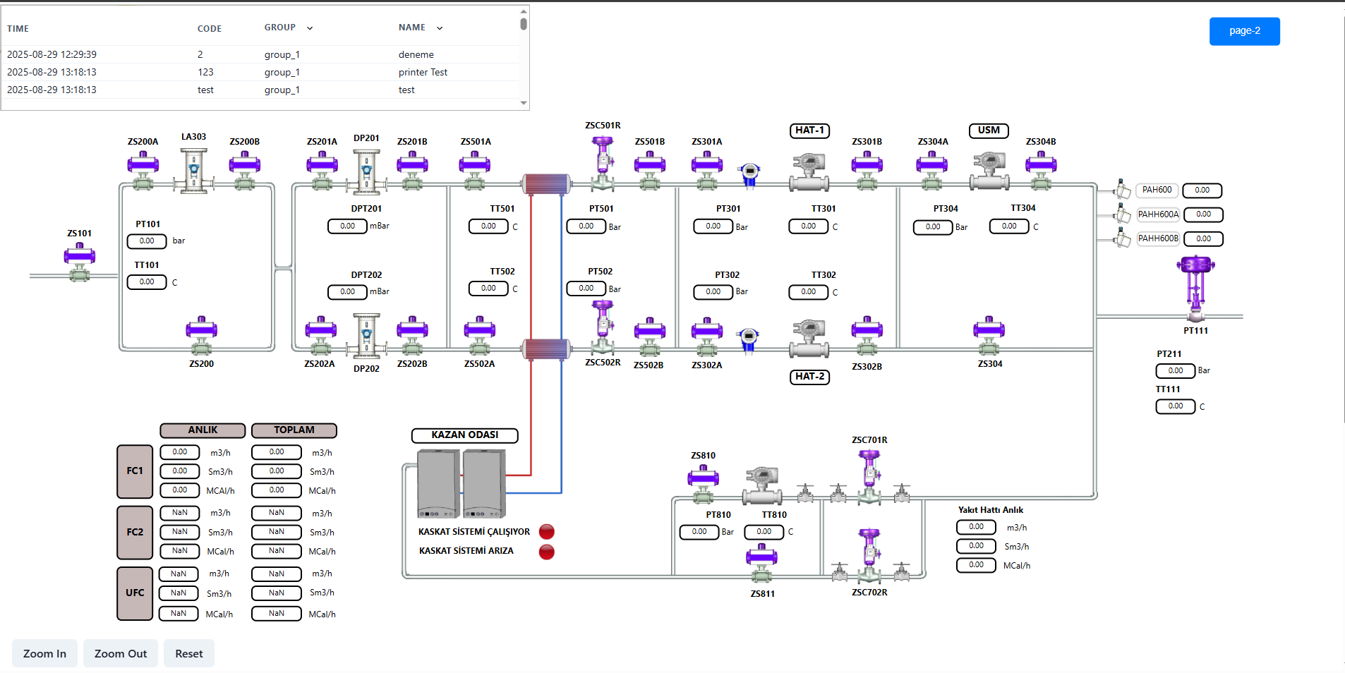
Nexa-Flow is an advanced industrial flow control, monitoring, and management platform developed by UESTCO Enerji Sistemleri for large-scale, high-availability industrial operations. The backend, built with .NET 8 Web API in a layered architecture, integrates Entity Framework Core for automated database migrations and NPoco for efficient CRUD operations. The system dynamically configures register mapping and device communication structures based on user-defined data, supporting both Modbus TCP and Modbus RTU. PostgreSQL is used for device configuration and metadata, while high-frequency timeseries data is ingested into MongoDB for fast queries and reporting. Nexa-Flow supports Docker, Windows Service, and portable executable deployments. With offline-first caching, critical configurations remain resilient during outages. Serilog provides structured logging for full traceability. SignalR enables real-time updates for SCADA-style drag-and-drop dashboards, alarms, and monitoring. The system includes customizable reporting (hourly/daily logs, auto PDF export), advanced alarm rules (with optional printer output), service and maintenance tracking, and virtual tag support for real-time calculations. All endpoints are secured with dynamic role-based access control for user management.

Lead Backend Engineer & System Architect

  1. Architecture & System Design – Designed a scalable, modular, and high-availability architecture using .NET 8, ensuring industrial-grade reliability and extensibility.
  2. Device Integration & Protocol Management – Developed dynamic register mapping and communication layers for Modbus TCP/RTU devices with plug-and-play support and fault-tolerance.
  3. Database Engineering & Resilience – Implemented a dual-database model with PostgreSQL for configuration and MongoDB Timeseries for telemetry data, with automated EF Core migrations and offline cache.
  4. Logging & Diagnostics – Integrated Serilog for structured logging of operational, error, and diagnostic events, providing audit trails and fast troubleshooting.
  5. Deployment & Operations – Delivered multiple deployment options (Docker, Windows Service, portable app) with automated configuration and secret management.
  6. API & Contract Stability – Developed REST endpoints with strict contract-based models, keeping frontend integrations stable and decoupled from database schema changes.
  7. Feature Development – Built advanced features including real-time dashboards with SignalR, alarm rules (with auto printer output), hourly/daily reporting with PDF export, service/maintenance tracking, and virtual tag computation.

Features

  1. Dynamic Modbus Device Integration (TCP/RTU)
  2. Offline-First Operation with Local Cache
  3. Advanced Alarming & Real-Time Analytics
  4. Customizable Hourly/Daily Reporting with Auto PDF Export
  5. Service and Maintenance Tracking
  6. Virtual Tag & Real-Time Calculation Engine
  7. Resilient Logging with Serilog
  8. Scalable Docker/Windows Deployments
  9. Configurable Register Mapping Engine
  10. Role-Based User & Permission Management

Technologies

  1. C#
  2. .NET 8 Web API
  3. Entity Framework Core
  4. NPoco
  5. PostgreSQL
  6. MongoDB (Timeseries)
  7. Docker
  8. Windows Service
  9. Modbus TCP/RTU
  10. SignalR
  11. Serilog
Associated with
  • Company UESTCO Enerji Sistemleri
  • Duration May 2024 - Present
  • Role Title Lead Backend Engineer & System Architect
  • Company Site https://www.uestco.com/